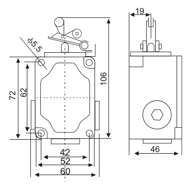
ВПК-2113 выключатель концевой, селективный рычаг с роликом

Цена (руб. с НДС):
900 ₽